2010安徽省中考物理真题及答案(Word版)

时间:2020-10-10 17:33:00   来源:开云网页版     [字体: ]

【文档名称】 2010安徽省中考物理真题及答案(Word版).doc

【文档格式】 Word版

【文档下载】 点击下载WORD文档

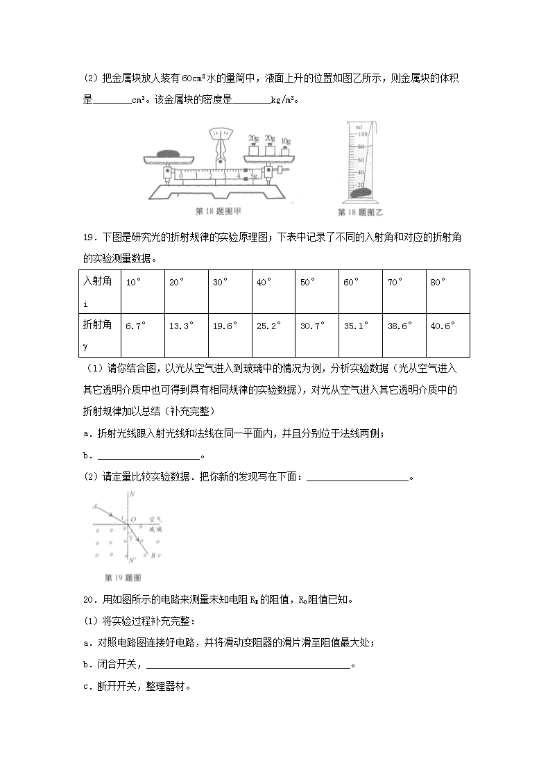
【文档预览】 开云网页版整理发布2010安徽省中考物理真题及答案(Word版),前五页预览如下: